16j602-2图集为修编图集,替代原图集09J602-2 《彩色涂层钢板门窗》。本图集适用于民用建筑和工业建筑及公共辅助建筑门窗的设计选用、安装与施工。聽
16j602-2图集


16j602-2图集介绍
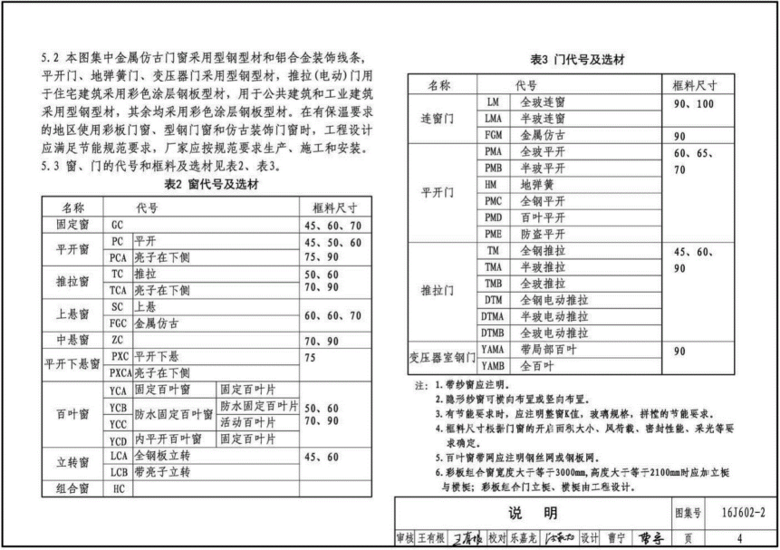
本图集通过对原图集内容进行提炼、筛选和增补。修编后,图集针对彩色涂层钢板门窗当前市场上应用广泛的固定窗、平开窗、推拉窗、上悬窗、中悬窗、平开下悬窗、百叶窗、立转窗、连窗门、平开门、推拉门以及变压器室钢门分享各种类型彩钢板门窗选用图表、典型构造节点详图和安装节点详图以及彩钢防护栏杆节点图等。并分享彩板门窗的节能构造以满足规范的节能要求。
本图集内容丰富,汇集了目前彩色涂层钢板门窗、型钢门窗和金属仿古装饰门窗有关节能的新技术。力求适应工厂化配件制品的发展。努力做到构造技术先进、材料选用恰当、品种类型多样、设计选用方便,并可供施工安装使用。
钢门窗分类
实腹钢门窗
实腹钢门窗系采用低碳钢热轧成各种 异型材,再经断料、冲孔、焊接并与附件组装等工艺制成的。实腹钢门窗的金属表面外露,易于涂涂料(油漆),所以耐腐蚀性能较好,但是用钢量大、质量重、不经济。实腹钢门窗通常适用于一般的工业建筑厂房、生产辅助建筑和民用住宅建筑。
空腹钢门窗
空腹钢门窗系采用冷轧带钢经高频焊管机组轧制焊接成各种型材,然后经切割、铣削、焊接、钻孔、组装等工艺制成的。空腹钢门窗的材料为空芯材料,芯部空间的表面不便于涂涂料(油漆),所以耐腐蚀性能不如实腹钢门窗好,但是用钢量少、质量轻、刚度大。
下载仅供下载体验和测试学习,不得商用和正当使用。
下载体验
