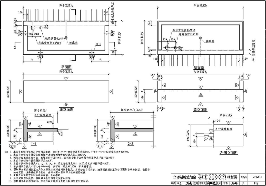
国家设计标准图集《15G368-1预制钢筋混凝土阳台板、空调板及女儿墙》简称15G368-1图集,本图集适用于非抗震设计及抗震设防烈度为6~8度地区抗震设计的装配式混凝土剪力墙结构住宅。
15g368-1图集预览




相关知识
混凝土是水泥(通常硅酸盐水泥)与骨料的混合物。当加入一定量水分的时候,水泥水化形成微观不透明晶格结构从而包裹和结合骨料成为整体结构。通常混凝土结构拥有较强的抗压强度(大约 3,000 磅/平方英寸, 35 MPa)。但是混凝土的抗拉强度较低,通常只有抗压强度的十分之一左右,任何显著的拉弯作用都会使其微观晶格结构开裂和分离从而导致结构的破坏。而绝大多数结构构件内部都有受拉应力作用的需求,故未加钢筋的混凝土极少被单独使用于工程。
相较混凝土而言,钢筋抗拉强度非常高,一般在200MPa以上,故通常人们在混凝土中加入钢筋等加劲材料与之共同工作,由钢筋承担其中的拉力,混凝土承担压应力部分。例如在图2简支梁受弯构件中,当施加荷载P时,梁截面上部受压,下部受拉。此时配置在梁底部的钢筋承担拉力(4),而上部阴影区所示混凝土(2)承受压力(3)。在一些小截面构件里,除了承受拉力之外,钢筋同样可用于承受压力,这通常发生在柱子之中。钢筋混凝土构件截面可以根据工程需要制成不同的形状和大小。
同普通混凝土一样,钢筋混凝土在28天后达到设计强度。
下载仅供下载体验和测试学习,不得商用和正当使用。
下载体验
